Доставка 1-2 дня - Уточняйте у менеджера
Это четырехтактный одноцилиндровый двигатель внутреннего сгорания. Рабочий объем цилиндра составляет 118 кубических сантиметров. Диаметр цилиндра и тип газораспределительного механизма позволяют обеспечить компактные размеры двигателя, он свободно устанавливается на многие модели малой техники. В качестве топлива эта модель использует широко распространенный автомобильный бензин марки АИ-92, поэтому проблем с горючим не возникнет. Коленчатый вал имеет горизонтальное расположение, это также способствует небольшим размерам. Крутящий момент достигает 5,7 Н.м при 2500 оборотов в минуту, при этом сохраняется высокая стабильность работы и небольшой расход бензина. Емкость топливного бака равна 2.5 литрам, одной заправки достаточно для длительной непрерывной работы. В качестве смазки используется доступное и известное каждому автомобилисту моторное масло 10W30 и 10W40, для одной заправки маслом требуется не более 0.6 литра. Транзисторная система зажигания проста в обслуживании и долговечна, она способствует стабильной работе двигателя при любых условиях.
Двигатель Lifan 160F обладает массой в 13 килограммов, это легковесный и компактный агрегат, он способен обеспечить высокую продуктивность работы при минимальных затратах и потерях. Его простая конструкция не создаст проблем при установке или при обслуживании, использование эффективного воздушного охлаждения позволяет активно использовать мотор даже в жаркую погоду, удобный пусковой тросик обеспечивает легкий запуск двигателя.
Преимущества двигателя Lifan 160F (ДБГ-4.0):
-Двигатель 4х тактный, одноцилиндровый, OHV, горизонтальный вал, воздушное охлаждение.
-Зажигание электронное.
-Система запуска ручной старт.
-Легкий пуск система декомпрессии.
-Продуманная конструкция малый вес и габариты.
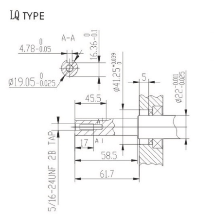
Расположение вала | Горизонтальное |
Тип двигателя | Бензиновый 4-х тактный одноцилиндровый |
Диаметр цилиндра, мм | 60 |
Ход поршня, мм | 42 |
Рабочий объём, см3 | 118 |
Степень сжатия | 8.5:1 |
Мощность, кВт/об/мин | 2,9 кВт при 3600 об. в мин. |
Крутящий момент | 5.7 Н.м/2500 об. в мин |
Система зажигания | Бесконтактное электронное |
Запуск | Ручной старт |
Расход топлива, г/кВт*ч | 420 |
Объем масла в двигателе, л | 0.6 |
Катушка освещения | Отсутствует |
Размеры, мм | 360х340х320 |
Размеры упаковки, мм | 415х380х355 |
Емкость топливного бака, л | 2.5 |
Наличие редуктора | Отсутствует |
Диаметр вала, мм | 19 |
Вес(брутто), кг | 14.6 |
Производитель | LIFAN |
Обороты холостого хода, об/мин | 1350 (+/-50) |
Гарантия производителя, мес | 24 |
Система подачи топлива | карбюратор |
Вес (нетто), кг | 13,2 |
Длина вала, мм | 58,5 |
Комплектующие данной модели | 00000483, 00001111, 00000321, 00002817 |
Тип вала | Q type |
ГУИД_ВИ | 90551979-e144-4ce6-af4c-336b18a38eac |
Для покупки товара в нашем интернет-магазине выберите понравившийся товар и добавьте его в корзину. Далее перейдите в Корзину и нажмите на «Оформить заказ» или «Быстрый заказ».
Когда оформляете быстрый заказ, напишите ФИО, телефон и e-mail. Вам перезвонит менеджер и уточнит условия заказа. По результатам разговора вам придет подтверждение оформления товара на почту. Теперь останется только ждать доставки и радоваться новой покупке.
Оформление заказа в стандартном режиме выглядит следующим образом. Заполняете полностью форму по последовательным этапам: адрес, способ доставки, оплаты, данные о себе. Советуем в комментарии к заказу написать информацию, которая поможет курьеру вас найти. Нажмите кнопку «Оформить заказ».
Оплачивайте покупки удобным способом. В интернет-магазине доступно 3 варианта оплаты:
- Наличные при самовывозе или доставке курьером. Специалист свяжется с вами в день доставки, чтобы уточнить время и заранее подготовить сдачу с любой купюры. Вы подписываете товаросопроводительные документы, вносите денежные средства, получаете товар и чек.
- Безналичный расчет при самовывозе или оформлении в интернет-магазине: карты Visa и MasterCard. Чтобы оплатить покупку, система перенаправит вас на сервер системы BePaid. Здесь нужно ввести номер карты, срок действия и имя держателя.
- Безналичный расчёт для компаний - Оплата производится в стандартном порядке по счёту на расчётный счет получателя.
Экономьте время на получении заказа. В интернет-магазине доступно 4 варианта доставки:
- Курьерская доставка работает с 10.00 до 23.00. Когда товар поступит на склад, курьерская служба свяжется для уточнения деталей. Специалист предложит выбрать удобное время доставки и уточнит адрес. Осмотрите упаковку на целостность и соответствие указанной комплектации.
- Самовывоз из магазина по адресу г.Минск ,ул.Шаранговича 19к22. Когда заказ поступит на склад, вам придет уведомление. Для получения заказа обратитесь к нашим менеджерам.
- Доставка через службу доставки производится в зависимости от точки доставки, стоимость доставки в ваш регион и срок доставки уточняйте у наших менеджеров.
- Доставка на территорию России производится через службу доставки - чтобы рассчитать стоимость и время доставки свяжитесь с нашими менеджарами.
Дополнительная вкладка, для размещения информации о магазине, доставке или любого другого важного контента. Поможет вам ответить на интересующие покупателя вопросы и развеять его сомнения в покупке. Используйте её по своему усмотрению.
Вы можете убрать её или вернуть обратно, изменив одну галочку в настройках компонента. Очень удобно.













